Zoomed Image ×

Square Bolt with Dog Point

Square bolts with a dog point, also known as square head bolts, are designed for secure and precise fastening in various applications. The square head allows for easy handling with a wrench, while the dog point, which is a cylindrical tip with a flat end, ensures accurate alignment and prevents rotation within the assembly. Ideal for heavy-duty and industrial applications, these bolts provide robust performance and stability. Pankaj International offers high-quality square bolts with dog points, engineered for durability and reliability. As a leading fasteners manufacturer in Ludhiana, India, we provide dependable solutions for diverse fastening needs.


Size Range
Diameter M5 to M24
Length 25 mm to 300 mm
Technical Specifications


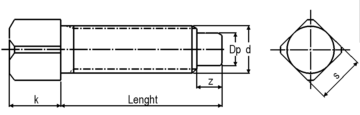
 Screw Thread d 
Pitch
Dp
k
s
z
Max.
Min.
Max.
Min.
Max.
Min.
Max.
Min.
M5
0.8
3.5
3.32
5.15
4.85
5
4.82
1.5
1.25
M6
1
4
3.82
6.15
5.85
6
5.82
1.75
1.5
M8
1.25
5.5
5.32
8.18
7.82
8
7.78
2.25
2
M10
1.5
7
6.78
10.18
9.82
10
9.78
2.75
2.5
M12
1.75
8.5
8.28
12.21
11.79
13
12.73
3.25
3
M16
2
12
11.73
16.21
15.79
16
15.73
4.3
4
M20
2.5
15
14.73
20.26
19.74
21
20.67
5.3
5
M24
3
18
17.73
22.26
21.74
24
23.67
6.3
6
Equivalent Standards
IS ISO DIN BS ANSI JIS
2609-479-ASME B18.2.1 -



Unique Design and Functional Benefits


The Square Bolt with Dog Point stands out due to its innovative combination of a square head and dog point tip. The square head allows for easy tightening using standard wrenches or pliers, offering excellent leverage and minimizing the chances of stripping. This feature is particularly useful in applications where precise torque control is essential. The dog point at the end of the bolt is carefully machined for alignment precision. Its smooth cylindrical shape guides the bolt into pre-drilled holes or threaded assemblies, ensuring accurate positioning and reducing damage to threads or mating surfaces. This feature makes the Square Bolt with Dog Point an indispensable fastener in assemblies requiring exact alignment and tight tolerances.


High-Quality Materials and Coatings

At Pankaj International, we manufacture these bolts using premium materials tailored to specific industrial needs:

  • Stainless Steel: Provides excellent resistance to corrosion, ideal for outdoor or marine applications.
  • Alloy Steel: Offers enhanced tensile strength, making it suitable for high-stress environments.
  • Carbon Steel with Protective Coatings: Adds durability while maintaining cost-effectiveness, with options such as galvanized and zinc coatings for rust resistance.


The variety of material choices ensures these bolts meet industry standards for performance, longevity, and reliability across diverse applications.


Applications of Square Bolt with Dog Point


The versatile design of this bolt makes it suitable for a wide range of industrial and commercial uses:-

  • Machinery and Equipment: Used in aligning and securing mechanical components, ensuring operational precision.
  • Woodworking: Its square head offers a vintage aesthetic while delivering robust functionality in furniture and structural assemblies.
  • Railway and Infrastructure: Ideal for fastening tracks and structural supports where alignment and durability are critical.
  • Automotive and Heavy-Duty Vehicles: Frequently used in engine assemblies and chassis construction for precise and reliable fastening.


Technical Specifications and Resources


To aid engineers and technicians in selecting the right fastener, we provide detailed size charts, technical drawings, and dimensional tables. These resources outline:-

  • Bolt Lengths and Thread Sizes: Ensuring compatibility with various applications.
  • Dog Point Dimensions: Offering insights into alignment and mating compatibility.
  • Material Grades and Coating Options: Highlighting durability and environmental resistance.

Our comprehensive technical documentation ensures that customers have all the information they need to make informed decisions.


Manufacturing Excellence

As a leading fastener manufacturer in India, Pankaj International delivers high-quality products that meet the diverse needs of industries worldwide. Every Square Bolt with Dog Point undergoes stringent quality checks, ensuring precision, durability, and compliance with international standards. Whether it’s a bulk order for large-scale manufacturing or a specialized requirement for custom applications, we are committed to delivering fasteners that exceed expectations.

Similar Products

More Product Range

Pankaj International is an ISO Certified Nationwide Manufacturer of Stocked and Custom Nuts, Bolts and Fasteners

pankajinternational